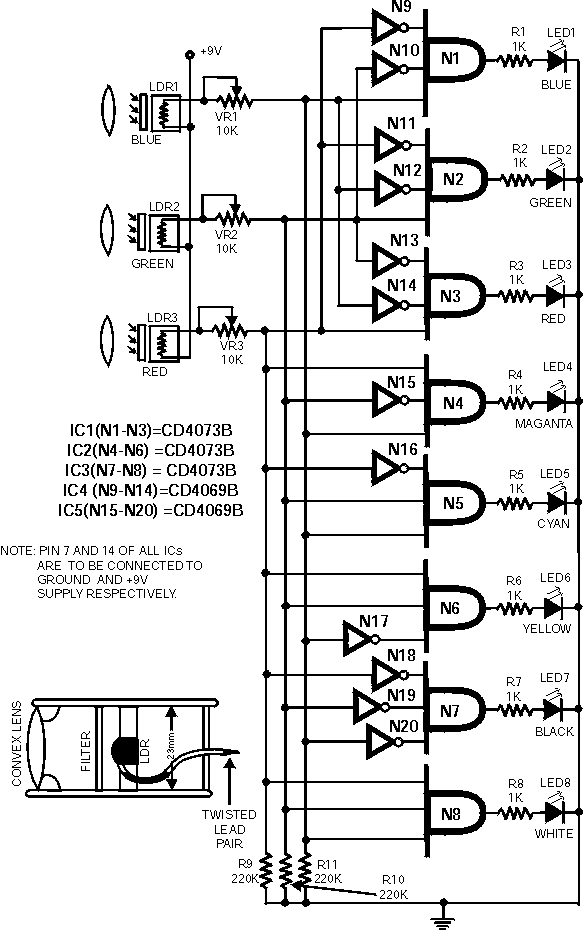
Color Sensor
Colour sensor is an interesting project for hobbyists. The cir- cuit can
sense eight colours, i.e. blue, green and red (primary colours); magenta, yellow
and cyan (secondary colours); and black and white. The circuit is based on the
fundamentals of optics and digital electronics. The object whose colour is
required to be detected should be placed in front of the system. The light rays
reflected from the object will fall on the three convex lenses which are fixed
in front of the three LDRs. The convex lenses are used to converge light rays.
This helps to increase the sensitivity of LDRs. Blue, green and red glass plates
(filters) are fixed in front of LDR1, LDR2 and LDR3 respectively. When reflected
light rays from the object fall on the gadget, the coloured filter glass plates
determine which of the LDRs would get triggered. The circuit makes use of only
‘AND’ gates and ‘NOT’ gates.
When a primary coloured light ray falls on the system, the glass plate
corresponding to that primary colour will allow that specific light to pass
through. But the other two glass plates will not allow any light to pass through.
Thus only one LDR will get triggered and the gate output corresponding to that
LDR will become logic 1 to indicate which colour it is. Similarly, when a
secondary coloured light ray falls on the system, the two primary glass plates
corres- ponding to the mixed colour will allow that light to pass through while
the remaining one will not allow any light ray to pass through it. As a result
two of the LDRs get triggered and the gate output corresponding to these will
become logic 1 and indicate which colour it is.
When all the LDRs get triggered or remain untriggered, you will observe white
and black light indications respectively. Following points may be carefully
noted :
1. Potmeters VR1, VR2 and VR3 may be used to adjust the sensitivity of the LDRs.
2. Common ends of the LDRs should be connected to positive supply.
3. Use good quality light filters.
The LDR is mounded in a tube, behind a lens, and aimed at the object. The
coloured glass filter should be fixed in front of the LDR as shown in the figure.
Make three of that kind and fix them in a suitable case. Adjustments are
critical and the gadget performance would depend upon its proper fabrication and
use of correct filters as well as light conditions
Title: Color Sensor
electronic circuit
Source: www.electronic-circuits-diagrams.com
Published on: 2005-02-09
Reads: 1794
Print version: ![]()
Other electronic circuits and schematics from Security and other sensors and detectors
-
IR transceiver 1.0
-
Electronics Telephone Talking Circuit
-
4 in 1 Burglar Alarm
-
4 channel Telemetry System
-
Temperature Sensor with Digital Output
-
Electronic detector of air flow
-
Magnetic proximity sensors
-
UltraSonic Radar
-
Remote Doorbell Warning Switch
-
Emergency Light & Alarm

