Variable DC Power Supply

Parts:
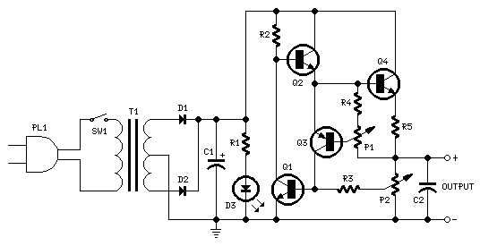
P1____________500R Linear Potentiometer
P2_____________10K Log. Potentiometer
R1,R2___________2K2 1/2W Resistors
R3____________330R 1/4W Resistor
R4____________150R 1/4W Resistor
R5______________1R 5W Resistor
C1___________3300ВµF 35V Electrolytic Capacitor (see Notes)
C2______________1ВµF 63V Polyester Capacitor
D1,D2________1N5402 200V 3A Diodes
D3_____________5mm. Red LED
Q1____________BC182 50V 100mA NPN Transistor
Q2____________BD139 80V 1.5A NPN Transistor
Q3____________BC212 50V 100mA PNP Transistor
Q4 __________2N3055 60V 15A NPN Transistor
T1_____________220V Primary, 36V Center-tapped Secondary 50VA Mains transformer
(see Notes)
PL1____________Male Mains plug
SW1____________SPST Mains switch
Device purpose:
A Variable DC Power Supply is one of the most useful tools on the electronics hobbyist's workbench. This circuit is not an absolute novelty, but it's simple, reliable, "rugged" and short-proof, featuring variable voltage up to 24V and variable current limiting up to 2A. It's well suited to supply the circuits shown in this website. You can adapt it to your own requirements as explained in the notes below.
Notes:
- P1 sets the maximum output current you want to be delivered by the power supply at a given output voltage.
- P2 sets the output voltage and must be a logarithmic taper type, in order to obtain a more linear scale voltage indication.
- You can choose the Transformer on the grounds of maximum voltage and
current output needed.
Best choices are: 36, 40 or 48V center-tapped and 50, 75, 80 or 100VA. - Capacitor C1 can be 2200 to 6800ВµF, 35 to 50V.
- Q4 must be mounted on a good heatsink in order to withstand sustained
output short-circuit.
In some cases the rear panel of the metal box in which you will enclose the circuit can do the job. - The 2N3055 transistor (Q4) can be replaced with the slightly less powerful TIP3055 type.
- Excellent quality-price ratio: enjoy!
Title: Variable DC Power Supply
electronic circuit
Source: www.redcircuits.com
Published on: 2005-02-03
Reads: 1300
Print version: ![]()
Other electronic circuits and schematics from Power
-
Simple Car Battery Charger
-
2 Watt Switching Power Supply
-
Self switching Power Supply
-
Solar charger for lead-acid batteries
-
5V/1A Power Supply
-
Variable Voltage and Current Power Supply
-
A simple step-up converter (6V to 12V)
-
Transformerless Power Supply
-
Constant Current Battery Charger
-
Whistle On - Whistle Off
